適用PLC
模擬量輸入端子板適用于西門子 S7-300 6ES7331-7PF01-0AB0
特性
① 8通道熱電偶輸入
② 支持TS35導軌安裝
③ 支持冗余電源輸入
13625289878
產品規格參數
basic parameters
|
技術參數 |
|
|
額定工作電壓 |
24VDC |
|
每通道最大工作電流 |
250mA |
|
供電指示 |
3mm綠色LED |
|
邏輯側供電電源保險絲 |
1A快斷微型方形保險絲 |
|
邏輯側接線 |
D-SUB連接 |
|
現場側接線 |
PCB端子接線 |
|
功耗 |
0.5W |
|
工作溫度 |
20℃~+55℃ |
|
儲存溫度 |
-40℃~+70℃ |
|
訂貨信息 |
||
|
訂貨型號 |
尺寸 |
標準包裝 |
|
SMD-8TC |
6×86X53mm |
1 |
|
1A快斷微型方形保險絲 |
|
1 |
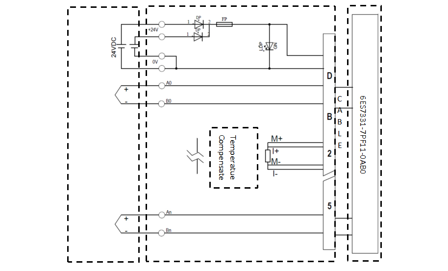
接線示意圖
wiring diagram
特性
① NPN、PNP可選(下訂單是需要注明P型還是N型)② 非常緊湊設計 ③ 固定外殼設計
④ 柵欄式端子輸出 ⑤4路繼電器模組,體積減小到最小⑥ 采用LED動作顯示,各輸入輸出端狀態 一目了然
⑦ PCB和零部件不外露,防止觸點和錯誤動作
⑧ 阻燃材料,操作和維修方便,可快速安裝于DIN導軌
特性
① NPN、PNP可選(下訂單是需要注明P型還是N型)② 非常緊湊設計 ③ 固定外殼設計
④ 柵欄式端子輸出 ⑤4路繼電器模組,體積減小到最小⑥ 采用LED動作顯示,各輸入輸出端狀態 一目了然
⑦ PCB和零部件不外露,防止觸點和錯誤動作
⑧ 阻燃材料,操作和維修方便,可快速安裝于DIN導軌
特性
① NPN、PNP可選(下訂單是需要注明P型還是N型)② 非常緊湊設計 ③ 固定外殼設計
④ 柵欄式端子輸出 ⑤4路繼電器模組,體積減小到最小⑥ 采用LED動作顯示,各輸入輸出端狀態 一目了然
⑦ PCB和零部件不外露,防止觸點和錯誤動作
⑧ 阻燃材料,操作和維修方便,可快速安裝于DIN導軌
特性
① 輸入電壓范圍:DC: 5V, 12V, 24V, 48~60V, 110V, 220V。
AC:24V, 48~60V, 120V, 230V, 120V RC, 230V RC。
② 支持TS35導軌安裝
③ 負載電壓:5~48VDC/0.5A
④ 端子式6.2MM厚