" />
特性
① 用于電氣信號和電源傳輸
② 負載電流17.5A
③ 大小規格和位數可以任意組裝
④ 可以定制標記條內容
⑤ 可見截面積1.5㎜2
⑥ 支持JH9-DG導軌安裝
⑦ 螺釘端子連接(螺釘防滑絲)
13625289878
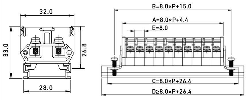
產品規格參數
basic parameters
條裝服務
Strip service
如:
10位JH9-15條裝型號:JH9-1510
=接線端子10位X厚度+2個X隔板厚度+2個X固定件厚度
=10X8mm+2個X2.2mm+2個X11mm=106.4mm即110mm
A=端子總長度=8.0XP+4.4
B=導軌安裝孔中心距離=8.0XP+15.0
C=最小導軌長度=8.0XP+26.4
D=導軌總長度=(≥8.0XP+26.4)
E=端子厚度=8.0
特性
① NPN、PNP可選(下訂單是需要注明P型還是N型)② 非常緊湊設計 ③ 固定外殼設計
④ 柵欄式端子輸出 ⑤4路繼電器模組,體積減小到最小⑥ 采用LED動作顯示,各輸入輸出端狀態 一目了然
⑦ PCB和零部件不外露,防止觸點和錯誤動作
⑧ 阻燃材料,操作和維修方便,可快速安裝于DIN導軌
特性
① NPN、PNP可選(下訂單是需要注明P型還是N型)② 非常緊湊設計 ③ 固定外殼設計
④ 柵欄式端子輸出 ⑤4路繼電器模組,體積減小到最小⑥ 采用LED動作顯示,各輸入輸出端狀態 一目了然
⑦ PCB和零部件不外露,防止觸點和錯誤動作
⑧ 阻燃材料,操作和維修方便,可快速安裝于DIN導軌
特性
① NPN、PNP可選(下訂單是需要注明P型還是N型)② 非常緊湊設計 ③ 固定外殼設計
④ 柵欄式端子輸出 ⑤4路繼電器模組,體積減小到最小⑥ 采用LED動作顯示,各輸入輸出端狀態 一目了然
⑦ PCB和零部件不外露,防止觸點和錯誤動作
⑧ 阻燃材料,操作和維修方便,可快速安裝于DIN導軌
特性
① 輸入電壓范圍:DC: 5V, 12V, 24V, 48~60V, 110V, 220V。
AC:24V, 48~60V, 120V, 230V, 120V RC, 230V RC。
② 支持TS35導軌安裝
③ 負載電壓:5~48VDC/0.5A
④ 端子式6.2MM厚